fechar
 
Informações:

  • Use vírgula (,) para separar os elementos nas linhas e ponte e vírgula para as colunas (;);

  • Para números com casas decimais, use ponto (.) ao invés de vírgula (,);

  • Se a sintaxe não estiver correta, não haverá resposta;

  Os intervalos dos eixos real e imaginário podem ser alterados para aproximar o gráfico e focar na área de interesse.


SIMULAÇÕES EM ENGENHARIA ELÉTRICA

 

 

 

 

 

 

 

detalhes

 

 

 

 

 

 

 

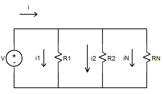
DIVISOR DE CORRENTE

SIMULADOR



O cálculo das correntes é dado por: 
Onde:

n = 1, 2, 3, ..., N

V é a tensão da fonte

A potência dissipada em cada resistor: 
A corrente no circuito é dada por: 
Req é a resistência equivalente

Se você não se lembra como calcular a resistência equivalente use o simulador de Associação de Elementos Elétricos Lineares

A potência total no circuito: 

Considerando n = 5, entre com o valor da fonte de corrente e o valores das resistências para calcular o divisor de tensão. Você não deve deixar caixinhas em branco.

V = V   R1 = Ω   R2 = Ω   R3 = Ω   R4 = Ω

R5 = Ω


voltar