fechar

SIMULAÇÕES EM ENGENHARIA ELÉTRICA

 

 

 

 

 

 

 

detalhes

 

 

 

 

 

 

 

BODE PLOT FOR FIRST AND SECOND ORDER SYSTEMS

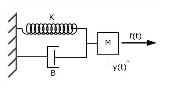
MASS-SPRING-DAMPER SYSTEM

Consider the mass-spring-damper system of the figure below:


It transfer function is of the type:

\frac{\omega_{n}^2}{s^2 + 2 \xi \omega_{n} s + \omega_{n}^2}

\omega_{n} = \xi =




a) For \omega_{n}=10, examine different values of \xi :
   • Two values smaller than 0.5;
   • Equal to 1;
   • Two values larger than 1.

What differences can be observed with the system? The plot was changed? The phase margin or the gain margin were changed?

b) For \xi =0.5, examine different values of \omega_{n}:
   • Two values smaller than 0.5;
   • Equal to 1;
   • Two values larger than 10.

What differences can be observed with the system? The plot was changed? The phase margin or the gain margin were changed?


voltar