fechar

SIMULAÇÕES EM ENGENHARIA ELÉTRICA

 

 

 

 

 

 

 

detalhes

 

 

 

 

 

 

 

DIAGRAMA DE BODE PARA PRIMEIRA E SEGUNDA ORDENS

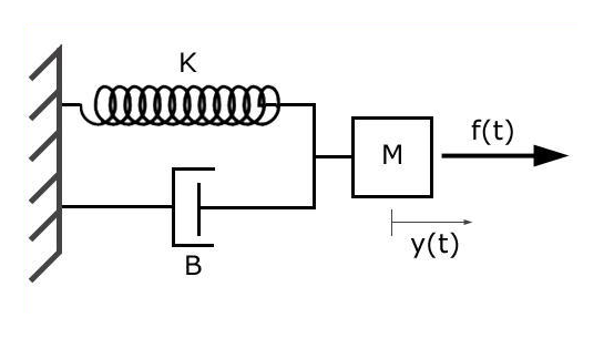
Massa-Mola-Amortecedor

Dado o sistema massa-mola-amortecedor abaixo:


Pode-se simplificar sua representação por função de transferência do tipo:

\frac{\omega_{n}^2}{s^2 + 2 \xi \omega_{n} s + \omega_{n}^2}

\omega_{n} = \xi =




a) Para \omega_{n}= 10 , varie\xi para:
   • Dois valores menores que 0.5;
   • Valor igual a 1;
   • Dois valores maiores que 1.

Quais foram as mudanças no sistema? O traçado mudou? A margem de fase ou de ganho mudou?

b) Para \xi =0.5, varie \omega_{n}= 10 para:
   • Dois valores menores que 0.5;
   • Valor igual a 1;
   • Dois valores maiores que 10.

Quais foram as mudanças no sistema? O traçado mudou? A margem de fase ou de ganho mudou?


voltar